вылет 14.6 м, грузовой момент 18.3 тм, грузоподъемность 8000 кг
PK 18500 Performance
технические характеристики
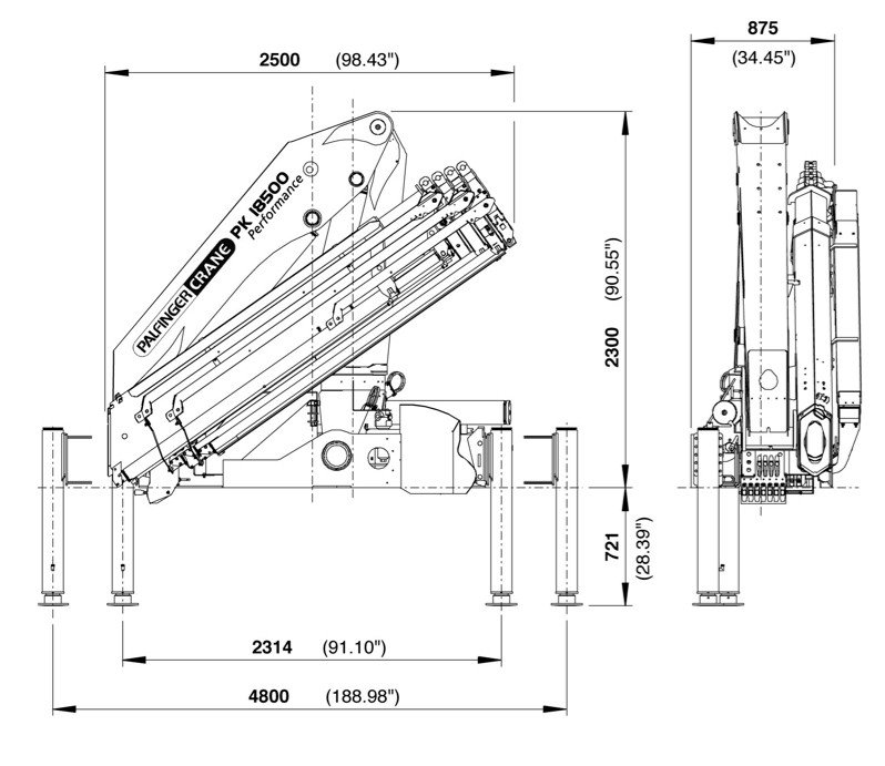
Технические характеристики PK 18500 Perfomance
| Макс. подъемный момент | 18.3 тм |
| Макс. грузоподъемность | 8000 кг |
| Макс. гидравлический вылет | 14.6 м |
| Макс. вылет с гуськом | 18.8 м |
| Угол поворота | 400° |
| Усилие поворота с одинарным приводом | 2,4 тм |
| Стандарт размаха аутригеров | 4.8 m |
| Ширина в транспортном положении | 2.50 м |
| Макс. рабочее давление | 300 бар |
| Требуемое для монтажа пространство (станд.) | 0,88 м |
| Общий вес (станд.) | 2117 кг |


