Колёсная формула: 6х6; Тип ошиновки: 1; Г/П,т.: 11,0; Мощность двиг. л.с.: 285; Модель КП: ЯМЗ 2361; Сп.место: 1; Шины: 425/85R21; Бак, л.:180+300; ТСУ(высота ССУ): 1370; МКБ, МОБ, ЯМЗ-65654, дизельный V6
УРАЛ 44202-0311-60М
технические характеристики
| Колесная формула | 6 х 6 |
| Кабина | |
| Исполнение | Капотная, двухместная |
| Отопление | От системы охлаждения двигателя |
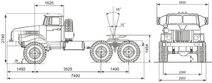
| Габаритные размеры | |
| Длина, мм | 7 490 |
| Ширина, мм | 2 500 |
| Высота, мм | 2 740 |
| Высота ССУ при полной массе, мм : |
1 370 |
| Параметры масс | |
| Снаряженная, кг | 8 540 |
| Полная масса автопоезда, кг | 28000 |
| Полная масса буксируемого полуприцепа, кг | 19 100 |
| Нагрузка на седельно-сцепное устройство, кг | 11000 |
| Распределение нагрузки автомобиля полной массы | |
| На передний мост, кг | 3 390 |
| На заднюю тележку, кг | 4 745 |
| Двигатель | |
| Марка | ЯМЗ-65654, дизельный V6 |
| Номинальная мощность, л.с. | 230 |
| Коробка передач | |
| Модель | ЯМЗ 2361 |
| Тип | Механическая, 5-ступенчатая |
| Ведущие мосты | |
| Модель | УРАЛ |
| Рабочая тормозная система | |
| Тип | Пневматический |
| Колеса и шины | |
| Шины | КАМА 1260 |
| Топливный бак | |
| Емкость, л | 300+180 |
Похожие товары
УРАЛ 44202-3511-82М
В наличии 1 шт.
Колёсная формула: 6х6; Тип ошиновки: 1; Г/П,т.: 12,3; Мощность двиг. л.с.: 312; Модель КП: ZF9; Сп.место: 1; Шины: 425/85R21; Бак, л.: 210+350; ТСУ(высота ССУ): 1390; МКБ, МОБ, дв. ЯМЗ-53602-10, дизельный L6, топл. ап.BOSCH, Common Rail, кабина IVECO
УРАЛ 63704-0111
Колёсная формула: 6х6; Тип ошиновки: 1; Г/П,т.: 22,0; Мощность двиг. л.с.: 412; Модель КП: ZF16; Раздаточная коробка ZF VG2000, Сп.место: 1; Шины: 16,00R20; Бак, л.: 500; ТСУ(высота ССУ): 1550/1885; МКБ, МОБ, дв. ЯМЗ-652, топл. ап.BOSCH, Common Rail, мосты RABA MAXS
УРАЛ 44202-0511-60М
Колёсная формула: 6х6; Тип ошиновки: 1; Г/П,т.: 11,0; Мощность двиг. л.с.: 230; Модель КП: ЯМЗ 2361; Сп.место: 1; Шины: 425/85R21; Бак, л.:180+300; ТСУ(высота ССУ): 1370; МКБ, МОБ, дв. ЯМЗ-65654, дизельный V6


