Колёсная формула: 6х6; Тип ошиновки: 1; Г/П,т.: 12,0; Мощность двиг. л.с.: 285; Модель КП: ЯМЗ 2361; Сп.место: 1; Шины: 425/85R21; Бак, л.:180+300; ТСУ(высота ССУ): 1370; МКБ, МОБ, дв. ЯМЗ-53642-10, рядный 4
УРАЛ 44202-0311-72М
технические характеристики
| Колесная формула | 6 х 6 |
| Кабина | |
| Исполнение | Капотная, трехместная |
| Отопление | От системы охлаждения двигателя |
| Габаритные размеры | |
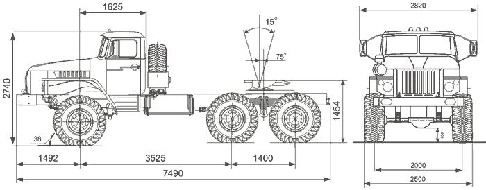
| Длина, мм | 7 490 |
| Ширина, мм | 2 500 |
| Высота, мм | 2 740 |
| Высота ССУ при полной массе, мм : |
1 370 |
| Параметры масс | |
| Снаряженная, кг | 8 540 |
| Полная масса автопоезда, кг | 32000 |
| Полная масса буксируемого полуприцепа, кг | 19 100 |
| Нагрузка на седельно-сцепное устройство, кг | 12000 |
| Распределение нагрузки автомобиля полной массы | |
| На передний мост, кг | 3 390 |
| На заднюю тележку, кг | 4 745 |
| Двигатель | |
| Марка | ЯМЗ-53642-10, рядный 4 |
| Номинальная мощность, л.с. | 285 |
| Коробка передач | |
| Модель | ЯМЗ 2361 |
| Тип | Механическая, 5-ступенчатая |
| Ведущие мосты | |
| Модель | УРАЛ |
| Рабочая тормозная система | |
| Тип | Пневматический |
| Колеса и шины | |
| Шины | КАМА 1260 |
| Топливный бак | |
| Емкость, л | 300+180 |
Похожие товары
УРАЛ 44202-0511-72М
Колёсная формула: 6х6; Тип ошиновки: 1; Г/П,т.: 12,0; Мощность двиг. л.с.: 285; Модель КП: ЯМЗ 1105; Сп.место: 1; Шины: 425/85R21; Бак, л.:180+300; ТСУ(высота ССУ): 1390; МКБ, МОБ, дв. ЯМЗ-53642-10, дизельный рядный 4
УРАЛ 44202-3511-80
Колёсная формула: 6х6; Тип ошиновки: 1; Г/П,т.: 12,3; Мощность двиг. л.с.: 285; Модель КП: ZF9; Сп.место: 1; Шины: 425/85R21; Бак, л.: 210+350; ТСУ(высота ССУ): 1390; МКБ, МОБ, дв. ЯМЗ-53642-10, дизельный L6, топл. ап.BOSCH, Common Rail
УРАЛ 542362-0111-70
Колёсная формула: 8х8; Тип ошиновки: 1; Г/П,т.: 14,0; Мощность двиг. л.с.: 312; Модель КП: ZF9; Сп.место: 1; Шины: 425/85R21; Бак, л.: 210+300; ТСУ(высота ССУ): 1460/1540; МКБ, МОБ, дв. ЯМЗ-53602-10, топл. ап.BOSCH, Common Rail


